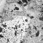
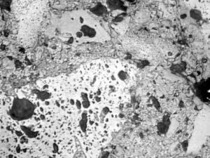
Apr 24 2025 Figure 6 Microstructure of clayey semi-clay pressed brickFigure 6 Microstructure of clayey semi-clay pressed brickRelated PostsRefractories Setter Plate ( Silicon Carbide,…RS 500 Inner Insulating CoatingAlumina Ceramic Roller Ceramic Tube Alumina Ceramic RodAl2O3-SiC-C Refractory Ramming Mass aluminabricks 0 Comments